
傳真:
18923864027
QQ:
709211280
地址:
深圳市福田區振中路84號愛華科研樓7層
MOS管,IGBT米勒平臺的解析米勒平臺的形成與其材料、制造工藝息息相關,當GE之間電壓大于閾值點的時候,管子的CE電壓開始下降,但是下降的速
MOS管的工作狀態與NMOS管的I V特性曲線介紹MOS管的工作狀態分為以下4個區域,以NMOS為例:(1)截止區:當VGS(2)線性區:當VGS>Vth, 且0此時
MOS管的開關損耗計算介紹開關損耗計算1、CCM 模式開關損耗CCM 模式與 DCM 模式的開關損耗有所不同。先講解復雜 CCM 模式,DCM 模式
關于MOS管功率選型解析MOS管有兩大類型:N 溝道和 P 溝道。在功率系統中,MOS管可被看成電氣開關。當在 N 溝道MOS管的柵極和源極間加
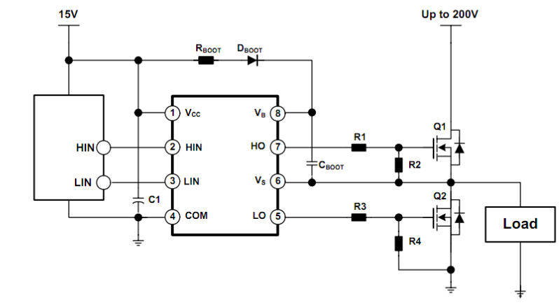
MOS管驅動的電容自舉電路工作原理和器件選型介紹說到升壓電路,大部分人第一反應是BOOS升壓電路,今天我們就介紹一下成本更低的電容自舉升
MOS管溝道夾斷了為什么還能將恒定載流子發送過去對于MOS管這樣一個三端口器件,先不看源極,就看柵極和漏極??梢赃@樣直觀的理解柵極電壓Vg
單片機I O口驅動MOS管電路原理解析為什么經??吹皆谑褂脝纹瑱CI O口驅動MOS管時,不是使用單片機I O口直接驅動,而是經過一級三極管,使用
MOS管與三極管的電源開關電路設計介紹三極管與MOS管組成的電源開關電路一定是NPN與PMOS管組合么?PNP與NMOS管可以組合么?那今天我們就來講
MOS管設計防反接電路介紹電子元件大都是使用直流工作,電源線反接就有可能就會燒壞,那電路如何防反接?首當其沖我們想到的就是二極管了,運
PFC MOS管Vds檢測解析1 電感電流負1A檢測2 PFCMOS管Vds檢測通過調節頻率使PFC電感電流在每個高頻周期過零,以實現PFC二極管的零電流關斷,
MOS管在光伏逆變器中的應用介紹MOSFET管是一種通過電場控制導通狀態的半導體器件,分為N溝道和P溝道兩種類型。其基本結構包括源極、漏極和
MOS管寄生參數振蕩損壞電路仿真模擬方案介紹PFC電路MOS管在應用過程中產生振蕩的機理,通過具體的案例分析了因MOS振蕩引起損壞的各種原因。