MOS管尖峰產生的原因主要與電壓電流的瞬態變化以及寄生參數(電感、電容)有關,特別是在高頻開關時。
在MOS開通過程中,伴隨很大的電壓瞬變,即dv/dt,從而在寄生電容中產生大的位移電流Cdv/dt,形成電流尖峰;在MOS關斷過程中,通道內產生電流瞬變,di/dt,瞬變電流在寄生電感端產生尖峰電壓Ldi/dt。
MOS的關斷速度太快,導致漏極dv/dt過高,布線沒布好,導致分布參數過大,吸收電容過小,也會產生尖峰。
SiC MOSFET中,由于開關的時候電壓和電流的急劇變化,器件的封裝電感和周邊電路的布線電感影響變得無法忽視,導致漏極源極之間會有很大的電壓尖峰。
根據公式u=-Ldi/dt,在削減尖峰時可以從這幾個方面進行考慮:
1. MOSFET關斷前的電流;
2. 開關速度;
3. 電路中電感(包括寄生電感)。
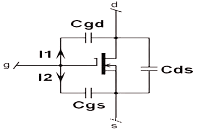
MOS管的等效模型中,電容是必不可少的,四個電極(柵極,漏極,源極,體電極)兩兩之間都存在電容。柵極與源極/體電極電容主要影響靜態特性和開關時的驅動能力,比如閾值電壓和柵極充電電荷。漏極和源極/體電極電容對器件的影響會小一些,通常關注較少。漏極和柵極間的電容就是常說的密勒電容,對器件開關特性具有較大影響,也是MOS管開啟時出現電流尖峰的原因。


MOS管等效電路圖
電感來自于負載電感和走線的寄生電感,它主要造成了MOS管關斷時的電壓尖峰。電容電感之所以會影響到器件的開關特性,可以歸因于兩句話,“電容兩端的電壓不能突變,流過電感的電流不能突變”。器件的開啟或關斷過程,就是器件的電壓/電流發生變化的過程。既然有變化,就必有隨時間的變化率,即dV/dt和和dI/dt。電容的位移電流與電容大小有關,即Ic=C*dV/dt;電感兩端的感應電動勢與電感大小有關,即Vi=L*dI/dt。


二極鉗位管感性負載開關電路圖
所謂信號尖峰,也就是在曲線上升到峰值后,出現下降,之后繼續下降,或趨于平穩。在MOS管開關過程中,信號尖峰過后,通常會趨于平穩。在二極管鉗位感性負載電路中,MOS管開啟時,電流上升,上升到一定值后,電壓開始下降,存在dV/dt。密勒電容和dV/dt如果都較大,將需要一個較大的位移電流。如果這個位移電流大于器件開啟后的穩定電流,之后會逐步減小到穩定電流,在曲線上形成電流尖峰。此時,如果二極管是非理想的,其反向恢復電荷將導致更顯著的電流尖峰。在MOS關斷過程中,電壓上升,上升到一定值時電流開始下降,存在dI/dt。如果寄生電感和dI/dt都比較大,會產生較大的感應電動勢。當感應電動勢大于器件關斷后的穩定電壓時,將形成一個電壓尖峰。
MOS管大電流關斷為什么出現尖峰電壓?
尖峰電壓屬于浪涌電壓里的一種,持續時間極短但數值很高。電機、電容器和功率轉換設備(如變速驅動器)是產生尖峰電壓的主要因素。雷電擊中室外的輸電線路也會引起極危險的高能瞬變。它們會在低壓電源電路中定期發生,峰值可能會達到數千伏。


處理方法
為了防止電動機繞組的絕緣過早老化或引起電動機、變頻器的損壞,通??梢蕴峁┘咏虞敵鲭娍蛊鞯姆椒▉頊p小在電動機端腳上的高次諧波沖擊電壓。
當變頻器與電動機之間的電纜線較長時,加裝輸出電抗器雖然可以減小負荷電流的峰值,但輸出電抗器不能減小電動機端腳上的瞬變電壓峰值。因此,一定要盡量縮短變頻器與電動機之間的電纜線的長度。
(1)增加電抗器或濾波器:在連接變頻電動機電纜的兩側增加電抗器(扼流圈)或濾波器,這樣可以有效減緩電源端輸出電壓脈沖的上升速度。
(2)縮短電纜長度:在設計線路時,應盡量減少變頻器與電動機之間電纜的長度。通過縮短電纜長度來降低兩者之間的暫態波過程的振蕩周期,以此來降低電動機兩端的過電壓。
(3)此外,還應確保電動機鐵心在檢修過程中不受損傷或短路,電動機軸承等部件的裝配滿足精度要求,盡量降低渦流損耗等引起的局部發熱和機械配合問題對電動機絕緣的影響。
〈烜芯微/XXW〉專業制造二極管,三極管,MOS管,橋堆等,20年,工廠直銷省20%,上萬家電路電器生產企業選用,專業的工程師幫您穩定好每一批產品,如果您有遇到什么需要幫助解決的,可以直接聯系下方的聯系號碼或加QQ/微信,由我們的銷售經理給您精準的報價以及產品介紹
聯系號碼:18923864027(同微信)
QQ:709211280

