MBRF2060CT,MBRF2060CT肖特基二極管,MBRF2060CT二極管參數
MBRF2060CT肖特基二極管20A 60V,MBRF2060CT參數,MBRF2060CT作用,MBRF2060CT二極管引腳參數規格書
MBRF2060CT肖特基二極管20A 60V,MBRF2060CT參數,MBRF2060CT作用,MBRF2060CT二極管引腳參數規格書

MBRF2060CT肖特基二極管TO-220F封裝規格書:點擊下載

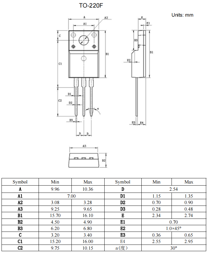
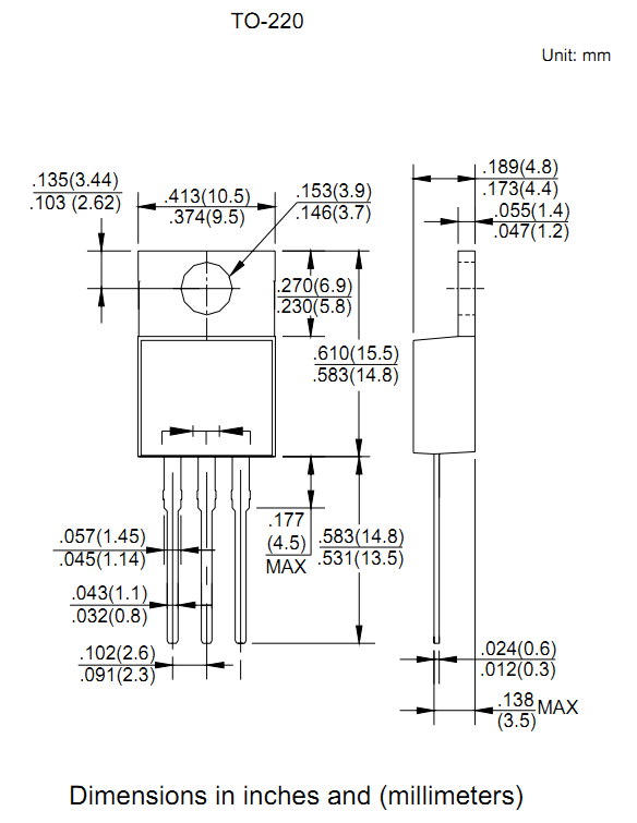
MBRF2060CT肖特基二極管TO-220,TO-220F封裝參數如下:
Maximum repetitive peak reverse voltage VRRM 最大重復峰值反向電壓:60V
Maximum DC blocking voltage VDC 最大直流閉鎖電壓:60V
Maximum average forward rectified current I(AV) 最大正向平均整流電流:20A
Maximum Average Forward Current VF 最大正向電壓:0.72V
Maximum DC reverse current at rated DC blocking voltage TA=25℃ IR 額定直流阻斷電壓下的最大直流反向電流:0.1mA
Maximum DC reverse current at rated DC blocking voltage TA=125℃ IR 額定直流阻斷電壓下的最大直流反向電流:20.0mA
Operating junction and storage temperature range TJ,TSTG 工作溫度和存儲溫度范圍:-55to +175℃
MBRF2060CT肖特基二極管封裝,TO-220F封裝尺寸:

MBRF2060CT肖特基二極管封裝,TO-220封裝尺寸:

〈烜芯微/XXW〉專業制造二極管,三極管,MOS管,橋堆等,20年,工廠直銷省20%,上萬家電路電器生產企業選用,專業的工程師幫您穩定好每一批產品,如果您有遇到什么需要幫助解決的,可以直接聯系下方的聯系號碼或加QQ/微信,由我們的銷售經理給您精準的報價以及產品介紹
?
聯系號碼:18923864027(同微信)
QQ:709211280


