隨著數字技術的飛速發展,高精度大動態范圍數字/模擬(D/A)轉換器的出現和廣泛應用,用數字控制方法從一個標準參考頻率源產生多個頻率信號的技術,即直接數字合成(DDS)技術異軍突起;其具有分辨率高、頻率變換快、相位噪聲低,信號純度高等優點,因此,在雷達及通信等領域有著廣泛的應用前景。文中介紹了一種高性能DDS芯片AD9850的基本原理和工作特點,闡述了如何利用此芯片設計一種頻率在0~50kHz內變化、相位正交的信號源,給出了AD9850芯片和MCS51單片機的硬件接口和軟件流程。
1.AD9850芯片介紹
AD9850是AD 公司生產的最高時鐘為125MHz、采用先進的CMOS技術的直接頻率合成器,主要由可編程DDS系統、高性能模數變換器(DAC)和高速比較器3部分構成,能實現全數字編程控制的頻率合成,并具有時鐘產生功能,其原理框圖如圖1所示。

圖1 AD9850原理框圖
AD9850的DDS系統包括相位累加器和正弦查找表,其中相位累加器由一個加法器和一個32位相位寄存器組成,相位寄存器的輸出與外部相位控制字(5位)相加后作為正弦查找表的地址。正弦查找表實際上是一個相位/幅度轉換表,它包含一個正弦波周期的數字幅度信息,每一個地址對應正弦波中0~3608范圍的一個相位點。查找表把輸入地址的相位信息映射成正弦波幅度信號,然后驅動10 bit的DA變換器,輸出2個互補的電流,其幅度可通過外接電阻進行調節。AD9850還包括一個高速比較器,將DA變換器的輸出經外部低通濾波器后接到此比較器上即可產生一個抖動很小的方波,這使得AD9850可以方便地用作時鐘發生器。
AD9850包含40位頻率/相位控制字,可通過并行或串行方式送入器件:并行方式指連續輸入5次,每次同時輸入8位(1個字節);串行方式則是在一個管腳完成40位串行數據流的輸入。這40位控制字中有32位用于頻率控制,5位用于相位控制,1位用于掉電( power down)控制,2位用于選擇工作方式。
在并行輸入方式下,通過8位總線DO~D7將外部控制字輸入到寄存器,在 W_ CLK(字輸入時鐘)的上升沿裝入第一個字節,并把指針指向下一個輸入寄存器,連續5個W- CLK 的上升沿讀入5個字節數據到輸入寄存器后,W- CLK的邊沿就不再起作用。然后在FQ-UD(頻率更新時鐘)上升沿到來時將這40位數據從輸入寄存器裝入到頻率/相位寄存器,這時DDS輸出頻率和相位更新一次,同時把地址指針復位到第一個輸入寄存器以等待下一次的頻率/相位控制字輸入。圖2即為AD9850控制字并行輸入時序。

圖2 控制字并行輸入時序
2.硬件設計
要產生兩路相位正交、頻率可由外部控制的正弦信號,必須通過單片機編程來完成外部輸入的頻率數據(3個字節)與DDS芯片(AD9850)內部頻率相位控制字(5個字節)間的轉換。單片機 8051與AD9850芯片的接口既可采用并行方式,也可采用串行方式,本設計采用的是8位并行接口方式。
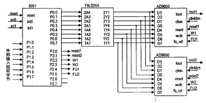
由于需要產生I/Q兩路正弦信號,因此使用了2片AD9850芯片,這兩路的頻率相同,相位差90°。單片機8051的P1口( P1.0~P1.7腳)用作外部空市字輸入,通過中斷1和中斷0讀入外部頻率數據,連續讀3次,對應頻率值的二進制數;單片機的P0口( P0.0~ P0.7腳)用作頻率/相位控制字輸出,通過8位緩沖器74LS244作數據緩沖后加到2片AD9850芯片的8位控制字輸入端(D0~D7腳),同時產生相應的DDS時序控制信號(一路復位reset l、二路復位reset2、一路字輸入時鐘W1、二路字輸入時鐘W2、一路頻率更新時鐘FU 1、二路頻率更新時鐘FU2) 加到AD9850芯片的對應管腳。AD9850的外部參考時鐘信號( clk40m)頻率為40 MHz,由晶體振蕩器產生。單片機8051的復位信號(reset )、中斷0和中斷1控制信號( int0、int 1)由外部控制系統給出,從而實現例路相位正交、頻率可控的正弦信號。該DDS信號源的硬件接口電路如圖3所示。

圖3 DDS信號源硬件接口電路圖
3.軟件控制
此程序的功能就是要將外部輸入的頻率數據按照一定協議和算法變換成DDS芯片(AD9850)所能接受的格式,并送出相應的頻率相位控制信號,從而使AD9850能產生兩路相位正交、頻率可控的正弦信號。下面給出程序設計輸入、輸出、變換算法及流程圖。
3.1輸入
數據同步:上升沿時讀入1個字節的頻率數據,作為int1中斷輸入:
數據寫入:上升沿時頻率更新1次,作為int0中斷輸入;
8位數據:輸入的頻率字節。分3次輸入,如圖4所示。

圖4 信號源控制程序輸入
3.2輸出
單片機控制程序將產生下述輸出信號加到DDS芯片(AD9850)的對應腳:
resetl:一路DDS復位(一路AD9850第22腳);
reset2:二路DDS復位(二路AD9850第22腳);
w 1:一路數據同步(一路AD9850第7腳);
w2:二路數據同步(二路AD9850第7腳);
ful:一路數據寫入(一路 AD9850第8腳);
fu2:二路數據寫入(二路AD9850第8腳);
PO 口(P0.0~P0.7):8位頻率/相位數據輸出( AD9850的D0~ D7腳)。
3.3算法
程序中單片機輸入頻率數據F(3個字節)與輸出頻率數據?P( 4個字節)間的變換算法見下式:
其中CIKN為外部參考時鐘( 40 000 000 Hz)。
3.4程序流程
整個程序由主程序、中斷0子程序、中斷1子程序三部分構成。主程序流程如圖5所示,中斷1子程序流程如圖6所示,中斷0子程序流程如圖7所示。

圖5 主程序流程圖

圖6 中斷1子程序流程圖

圖7 中斷0子程序流程圖
小結
以上就是基于DDS芯片AD9850的信號源設計介紹了。通過對設計的DDS信號源在不同頻率下的輸出波形進行了測試,結果完全能達到所要求的性能指標。目前廣泛應用于電子測量、跳頻通信、雷達系統等領域。
電話:18923864027(同微信)
QQ:709211280
〈烜芯微/XXW〉專業制造二極管,三極管,MOS管,橋堆等,20年,工廠直銷省20%,上萬家電路電器生產企業選用,專業的工程師幫您穩定好每一批產品,如果您有遇到什么需要幫助解決的,可以直接聯系下方的聯系號碼或加QQ/微信,由我們的銷售經理給您精準的報價以及產品介紹

