BTA20-600B可控硅參數,BTA20-600B引腳圖,BTA20-600B代換
BTA20-600B可控硅參數,BTA20-600B引腳圖封裝,BTA20-600B代換,BTA20-600B參數規格書

BTA20-600B可控硅參數,BTA20-600B引腳圖封裝,BTA20-600B代換,BTA20-600B參數規格書

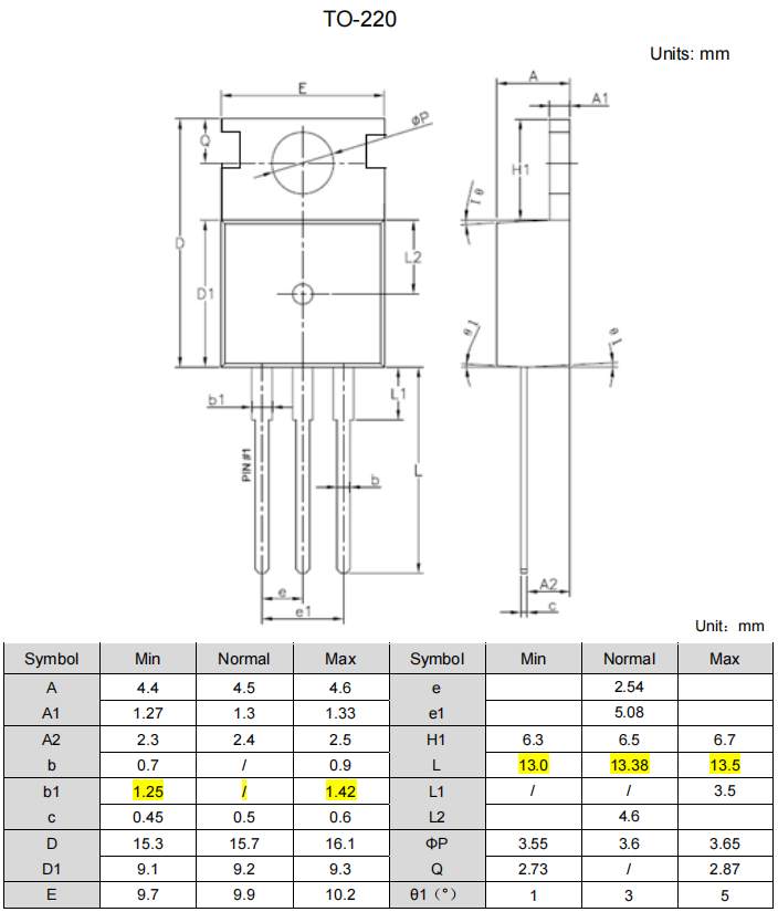
BTA20-600B TO-220參數封裝:點擊查看

BTA20-600B封裝有:TO-220/TO-220F/TO-92
Peak Repetitive Forward and Reverse Blocking Voltage 峰值重復正向和反向阻斷電壓 VDRM and VRRM:≥600V
Forward Current RMS 通態電流 IT(RMS):20A
Peak Forward Surge Current, T=10ms 峰值正向浪涌電流 ITSM:200A
Forward "On" Voltage 通態電壓 VTM:1.55V
Gate Trigger Current 門極觸發電流 IGT:50mA
Gate Trigger Voltage 門極觸發電壓 VGT:1.5V
Operating Junction Temperature Range 工作結溫度范圍 TJ:-40 to +125℃
Storage Temperature Range 儲存溫度 Tstg:-40 to +150℃
BTA20-600B可控硅/TO-220封裝尺寸:


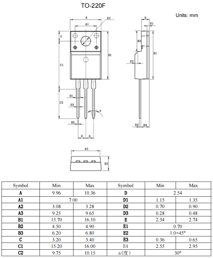
BTA20-600B可控硅/TO-220F封裝尺寸:


〈烜芯微/XXW〉專業制造二極管,三極管,MOS管,橋堆等,20年,工廠直銷省20%,上萬家電路電器生產企業選用,專業的工程師幫您穩定好每一批產品,如果您有遇到什么需要幫助解決的,可以直接聯系下方的聯系號碼或加QQ/微信,由我們的銷售經理給您精準的報價以及產品介紹
聯系號碼:18923864027(同微信)
QQ:709211280


