電阻器是電子電路中應用數量最多的元件,通常按功率和阻值形成不同系列,供電路設計者選用。電阻器在電路中主要用來調節和穩定電流與電壓,可作為分流器和分壓器,也可作電路匹配負載。根據電路要求,還可用于放大電路的負反饋或正反饋、電壓-電流轉換、輸入過載時的電壓或電流保護元件,又可組成RC電路作為振蕩、濾波、旁路、微分、積分和時間常數元件等。那么電阻器的阻值是怎么標注的呢?下面一起來看看吧:
1.直標法
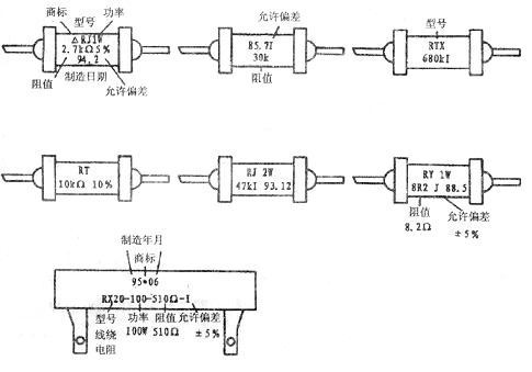
直標法”是將電阻器的類別及主要技術參數的數值直接標注在電阻器表面上,如上圖所示。對片狀電阻,雖然其體積有大有小,但目前使用最多的是3.2&TImes;1.6(mm)及2&TImes;1.25(mm)兩種規格,它們的體積都很小,故而一般只將阻值標注在電阻表面,其余參數都予以省略。通常用3位阿拉伯數字來標注片狀電阻的阻值,其中第1位數代表阻值的第1位有效數;第2位數代表阻值的第二位有效數字;第3位數代表阻值倍率,即阻值第1、2位有效數之后0的個數。例如:
203代表20后的3個0,即20,000Ω=20kΩ。471表示47后面加1個0,即470Q。105表示1MQ。272表示2.7kΩ。
對于帶小數的歐姆級片狀電阻或10Ω之內的整數值片狀電阻,也用R來代表Ω,與上述特殊標注法相同。例如:
1R2表示1.2Ω:4R7表示4.7Ω;R33表示0.33Ω。
值得注意的是:不少初學者往往將片狀電阻末位標注為0的電阻識別錯,如將100誤認為100Ω,將620誤認為620Ω等,其實末位為0表示第1、2有效數之后的0的個數為零,即沒有0,這樣,100應理解為10Ω,620應為62Ω,依此類推。少數片狀電阻亦有用4位數字標注阻值的,如在美國GE空調器遙控電路中就有標注為6801的片狀電阻,其實際阻值為6.8kΩ。由此可見,4位數標注與3位數標注的差別只是多了一位有效數,其余與3位數標注法相同,這里不再贅述。如圖1所示

圖1 直標法
2.文字符號法
隨著電子元件的不斷小型化,特別是表面安裝元器件(SMC和SMD)的制造工藝不斷進步,使得電阻器的體積越來越小,其元件表面上標注的文字符號也作出了相應改革。一般僅用三位數字標注電阻器的數值,精度等級不再表示出來(一般小于±5%)。具體規定如下:
(1)元件表面涂以黑顏色表示電阻器。
(2)電阻器的基本標注單位是歐姆(Ω),其數值大小用三位數字標注。
(3)對于十個基本標注單位以上的電阻器,前兩位數字表示數值的有效數字,第三位數字表示數值的倍率。如100表示其阻值為10&TImes;100=10Ω;223表示其阻值為22&TImes;103=22kΩ。
(4)對于十個基本標注單位以下的元件,第一位、第三位數字表示數值的有效數字,第二位用字母“R”表示小數點。如3R9表示其阻值為3.9Ω。

圖2 文字符號法
3.色標法
“色標法”是將電阻器類別及主要技術參數的數值用顏色(色環或色點)標注在它的表面上,普通的電阻器用四色環表示,精密電阻用五色環表示。緊靠電阻體一端頭的色環為第一環,若采用四色環標注,其第一環是十位數,第二環為個位數,第三環為應乘位數,第四環為允許誤差率。
若采用五色環標注,其第一環是百位數,第二環為十位數,第三環為個位數,第四環為應乘位數,第五環為允許誤差率。
各顏色所代表的數值如下表:

順便指出,電阻額定功率與它的體積大小密切相關:額定功率越大,體積也越大。常用電阻的外形尺寸與額定功率間的對應關系見下表所示。有經驗的愛好者可以從電阻體積上大體判斷出它的額定功率值,這對識別無功率標注的電阻(如色環電阻)是很有幫助的。
4.數碼標示法
在產品和電路圖上用三位數字來表示元件的標稱值的方法稱之為數碼標示法。該方法常見于貼片電阻或進口器件上。
在三位數字中,從左至右的第一、二位為有效數字,第三位數字表示有效數字后面所加"0"的個數(單位為Ω)。如果阻值中有小數點,則標示為"0"或"000"的電阻,阻值為0Ω,這種電阻實際上是跳線(短路線),在有些電路中,阻值為0Ω的貼片電阻用作保險電阻使用。如圖3所示:

圖3 數碼標示法
有時第三位也用字母表示有效數字后所乘的倍率,這種方法表示的電阻值與前面方法所表示的識別方法有點不同:它的前兩位數字只是一代碼。
第三位的字母與倍率的變化為:
代表字母:A B C D E F G H X Y Z
代表倍率: 100 101 102 103 104 105 106 107 10-1 10-2 10-3
例如:“01A”表示的阻值為100×100=100Ω;“13C”表示的阻值為133×102=13.3KΩ。
以上就是電阻器的標注方法介紹了。固定電阻器的選用有多種類型,選擇哪一種材料和結構的電阻器,應根據應用電路的具體要求而定;而且所選電阻器的電阻值應接近應用電路中計算值的一個標稱值,應優先選用標準系列的電阻器。一般電路使用的電阻器允許誤差為±5%~±10%。
電話:18923864027(同微信)
QQ:709211280
〈烜芯微/XXW〉專業制造二極管,三極管,MOS管,橋堆等,20年,工廠直銷省20%,上萬家電路電器生產企業選用,專業的工程師幫您穩定好每一批產品,如果您有遇到什么需要幫助解決的,可以直接聯系下方的聯系號碼或加QQ/微信,由我們的銷售經理給您精準的報價以及產品介紹

