1、Y電容
Y電容是安規電容的一種,安規電容是指用于這樣的場合:即電容器失效后,不會導致電擊也不會不危及人身安全。也就是因為這樣安規電容與其他普通的電容有著不一樣的地方,普通的電容在電源斷開之后很長一段時間還會保留一定殘留電壓,一旦手觸碰到就會發生電擊,而安規電容卻不會。Y電容大多數為藍色,但是也有黃色的,由于是安全電容,因此Y電容上面一般都會標有相關的認證,例如CQC、VDE、UL等認證。如下圖:


Y電容
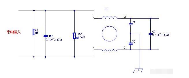
Y電容通常接于零線與地或者火線與地之間,如下圖是I級EMI濾波電路,Y1和Y2是Y電容,通常兩個串聯一起,根據耐高壓分為Y1、Y2、Y4三個等級,其中:Y1電容耐高壓值>8kV;5kV
2、漏電流
對于開關電源,Y電容通常接于一次側(初級)與二次側(次級)之間,如下圖,Y電容器可為一次側耦合到二次側的干擾電流提供回流路徑。


Y電容
那么Y電容容量為什么不能太大呢?我們知道Y電容對于EMC有很大的幫助,由于是共模電容,因此需要接地,那么就會有一個漏電流,還是以上面的EMI濾波電路為例,Y電容漏電流I=2πfCU
其中:f是市電頻率,即50Hz,C為Y電容總容量(4700pF+4700pF=9400pF),U對地端電壓,這里取110V即可。則可以計算得出漏電流有0.32A之多,并且會發現漏電流與容量成正比關系,也就是說容量越大漏電流也就越大,對于220V/50Hz交流電網供電的用電器,很多國家都規定漏電流不得大于1mA,對于手持式以及移動設備等其他用電產品對漏電流也有不同的要求,因此如果電源產品需要接Y電容,容量一般都不是很大,有時候甚至去掉Y電容,因此我們經??吹降腨電容容量基本上都是不大于0.1uF。


Y電容
烜芯微專業制造二極管,三極管,MOS管,橋堆等20年,工廠直銷省20%,4000家電路電器生產企業選用,專業的工程師幫您穩定好每一批產品,如果您有遇到什么需要幫助解決的,可以點擊右邊的工程師,或者點擊銷售經理給您精準的報價以及產品介紹
烜芯微專業制造二極管,三極管,MOS管,橋堆等20年,工廠直銷省20%,4000家電路電器生產企業選用,專業的工程師幫您穩定好每一批產品,如果您有遇到什么需要幫助解決的,可以點擊右邊的工程師,或者點擊銷售經理給您精準的報價以及產品介紹

