電容降壓的工作原理并不復雜。他的工作原理是利用電容在一定的交流信號頻率下產生的容抗來限制最大工作電流。
例如,在50Hz的工頻條件下,一個1uF的電容所產生的容抗約為3180歐姆。當220V的交流電壓加在電容器的兩端,則流過電容的最大電流約為70mA。雖然流過電容的電流有70mA,但在電容器上并不產生功耗,應為如果電容是一個理想電容,則流過電容的電流為虛部電流,它所作的功為無功功率。
根據這個特點,我們如果在一個1uF的電容器上再串聯一個阻性元件,則阻性元件兩端所得到的電壓和它所產生的功耗完全取決于這個阻性元件的特性。例如,我們將一個110V/8W的燈泡與一個1uF的電容串聯,在接到220V/50Hz的交流電壓上,燈泡被點亮,發出正常的亮度而不會被燒毀。因為110V/8W的燈泡所需的電流為8W/110V=72mA,它與1uF電容所產生的限流特性相吻合。
同理,我們也可以將5W/65V的燈泡與1uF電容串聯接到220V/50Hz的交流電上,燈泡同樣會被點亮,而不會被燒毀。因為5W/65V的燈泡的工作電流也約為70mA。因此,電容降壓實際上是利用容抗限流。而電容器實際上起到一個限制電流和動態分配電容器和負載兩端電壓的角色。
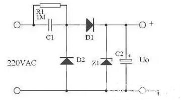
下圖為阻容降壓的典型應用,C1為降壓電容,R1為斷開電源時C1的泄放電阻,D1為半波整流二極管,D2在市電的負半周為C1提供放電回路,否則電容C1充滿電就不工作了,Z1為穩壓二極管,C2為濾波電容。輸出為穩壓二極管Z1的穩定電壓值。


在實際應用中,可以用下圖代替上圖,這里用了Z1正向特性和反向特性,其反向特性(也就是其穩壓特性)來穩定電壓,其正向特性用來在市電負半周給C1提供放電回路。


在較大電流的應用中,可以用全波整流。如下圖:


在小電壓全波整流輸出時,最大輸出電流即為:
容抗:Xc=1/(2πfC)
電流:Ic = U/Xc=2πfCU
采用電容降壓時應注意以下幾點:
1、根據負載的電流大小和交流電的工作頻率選取適當的電容,而不是依據負載的電壓和功率。
2、限流電容必須采用無極性電容,絕對不能采用電解電容。而且電容的耐壓須在400V以上。最理想的電容為鐵殼油浸電容。
3、電容降壓不能用于大功率條件,因為不安全。
4、電容降壓不適合動態負載條件。
5、同樣,電容降壓不適合容性和感性負載。
6、當需要直流工作時,盡量采用半波整流。不建議采用橋式整流。而且要滿足恒定負載的條件。
烜芯微專業制造二極管,三極管,MOS管,橋堆等20年,工廠直銷省20%,4000家電路電器生產企業選用,專業的工程師幫您穩定好每一批產品,如果您有遇到什么需要幫助解決的,可以點擊右邊的工程師,或者點擊銷售經理給您精準的報價以及產品介紹
烜芯微專業制造二極管,三極管,MOS管,橋堆等20年,工廠直銷省20%,4000家電路電器生產企業選用,專業的工程師幫您穩定好每一批產品,如果您有遇到什么需要幫助解決的,可以點擊右邊的工程師,或者點擊銷售經理給您精準的報價以及產品介紹

