逆變器是一種把直流電能(電池、蓄電瓶)轉變成交流電(普通為220伏50HZ正弦波或方波)的安裝。我們常見的應急電源,普通是把直流電瓶逆變成220V交流的。簡單來講,逆變器就是一種將直流電轉化為交流電的安裝。
不論是在偏僻家村,或是野外需求或是停電應急,逆變器都是一個十分不錯的選擇。比擬常見的是機房會用到的UPS電源,在忽然停電時,UPS可將蓄電池里的直流電逆變為交流供計算機運用,從而避免因忽然斷電而招致的數據喪失問題。
本文將引見兩種比擬簡單的逆變器電路圖。并附以簡單的逆變器電路圖闡明,有興味的朋友能夠研討下,自已入手做一個逆變器也的確是一件十分有成就感的事。以一就是一張較常見的逆變器電路圖。


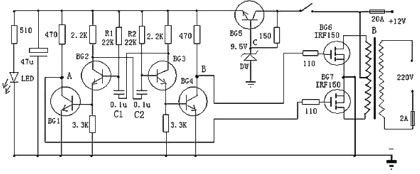
逆變器電路圖
以上是一款較為容易制造的逆變器電路圖,能夠將12V直流電源電壓逆變為220V市電電壓,電路由BG2和BG3組成的多諧振蕩器推進,再經過BG1和BG4驅動,來控制BG6和BG7工作。其中振蕩電路由BG5與DW組的穩壓電源供電,這樣能夠使輸出頻率比擬穩定。在制造時,變壓器可選有常用雙12V輸出的市電變壓器。可依據需求,選擇恰當的12V蓄電池容量。
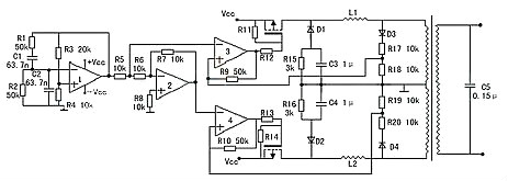
以下是一款高效率的正弦波逆變器電器圖,該電路用12V電池供電。先用一片倍壓模塊倍壓為運放供電。可選取ICL7660或MAX1044。運放1產生50Hz正弦波作為基準信號。運放2作為反相器。運放3和運放4作為遲滯比擬器。其實運放3和開關管1構成的是比例開關電源。運放4和開關管2也同樣。它的開關頻率不穩定。在運放1輸出信號為正相時,運放3和開關管工作。這時運放2輸出的是負相。這時運放4的正輸入端的電位(恒為0)總比負輸入端的電位高,所以運放4輸出恒為1,開關管關閉。在運放1輸出為負相時,則相反。這就完成了兩開關管交替工作。


逆變器電路圖
當基準信號比檢測信號,也即是運放3或4的負輸入端的信號比正輸入端的信號高一微小值時,比擬器輸出0,開關管開,隨之檢測信號疾速進步,當檢測信號比基準信號高一微小值時,比擬器輸出1,開關管關。這里要留意的是,在電路翻轉時比擬器有個正反應過程,這是遲滯比擬器的特性。比方說在基準信號比檢測信號低的前提下,隨著它們的差值不時地靠近,在它們相等的霎時,基準信號馬上比檢測信號高出一定值。這個“一定值”影響開關頻率。它越大頻率越低。這里選它為0.1~0.2V。
C3,C4的作用是為了讓頻率較高的開關續流電流經過,而對頻率較低的50Hz信號產生較大的阻抗。C5由公式:50=算出。L普通為70H,制造時最好測一下。這樣C為0.15μ左右。R4與R3的比值要嚴厲等于0.5,大了波形失真明顯,小了不能起振,但是寧可大一些,不可小。開關管的最大電流為:I==25A。
現有的逆變器,有方波輸出和正弦波輸出兩種。方波輸出的逆變器效率高,關于采用正弦波電源設計的電器來說,除少數電器不適用外大多數電器都可適用,正弦波輸出的逆變器就沒有這方面的缺陷,卻存在效率低的缺陷,如何選擇這就需求依據本人的需求了。
烜芯微專業制造二三極管,MOS管,20年,工廠直銷省20%,1500家電路電器生產企業選用,專業的工程師幫您穩定好每一批產品,如果您有遇到什么需要幫助解決的,可以點擊右邊的工程師,或者點擊銷售經理給您精準的報價以及產品介紹
烜芯微專業制造二三極管,MOS管,20年,工廠直銷省20%,1500家電路電器生產企業選用,專業的工程師幫您穩定好每一批產品,如果您有遇到什么需要幫助解決的,可以點擊右邊的工程師,或者點擊銷售經理給您精準的報價以及產品介紹

