MOS管概述
mos管是金屬(metal)、氧化物(oxide)、半導體(semiconductor)場效應晶體管,或者稱是金屬—絕緣體(insulator)、半導體。MOS管的source和drain是可以對調的,他們都是在P型backgate中形成的N型區。在多數情況下,這個兩個區是一樣的,即使兩端對調也不會影響器件的性能。這樣的器件被認為是對稱的。
場效應管(FET),把輸入電壓的變化轉化為輸出電流的變化。FET的增益等于它的跨導, 定義為輸出電流的變化和輸入電壓變化之比。市面上常有的一般為N溝道和P溝道,詳情參考右側圖片(P溝道耗盡型MOS管)。而P溝道常見的為低壓mos管。
場效應管通過投影一個電場在一個絕緣層上來影響流過晶體管的電流。事實上沒有電流流過這個絕緣體,所以FET管的GATE電流非常小。最普通的FET用一薄層二氧化硅來作為GATE極下的絕緣體。這種晶體管稱為金屬氧化物半導體(MOS)晶體管,或,金屬氧化物半導體場效應管(MOSFET)。因為MOS管更小更省電,所以他們已經在很多應用場合取代了雙極型晶體管。
MOS管基本結構與工作原理
mos管學名是場效應管,是金屬-氧化物-半導體型場效應管,屬于絕緣柵型。本文就結構構造、特點、實用電路等幾個方面用工程師的話簡單描述。其結構示意圖:


MOS場效應三極管分為:增強型(又有N溝道、P溝道之分)及耗盡型(分有N溝道、P溝道)。N溝道增強型MOSFET的結構示意圖和符號見上圖。其中:電極 D(Drain) 稱為漏極,相當雙極型三極管的集電極;
電極 G(Gate) 稱為柵極,相當于的基極;
電極 S(Source)稱為源極,相當于發射極。
MOS管驅動電路
驅動電路(Drive Circuit),位于主電路和控制電路之間,用來對控制電路的信號進行放大的中間電路(即放大控制電路的信號使其能夠驅動功率晶體管),稱為驅動電路。
驅動電路的作用:將控制電路輸出的PWM脈沖放大到足以驅動功率晶體管—開關功率放大作用。驅動電路的作用: 將控制電路輸出的PWM脈沖放大到足以驅動功率晶體管—開關功率放大作用。
在使用MOS管設計開關電源或者馬達驅動電路的時候,大部分人都會考慮MOS的導通電阻,最大電壓等,最大電流等,也有很多人僅僅考慮這些因素。這樣的電路也許是可以工作的,但并不是優秀的,作為正式的產品設計也是不允許的。
MOS管導通特性
導通的意思是作為開關,相當于開關閉合。
NMOS的特性,Vgs大于一定的值就會導通,適合用于源極接地時的情況(低端驅動),只要柵極電壓達到4V或10V就可以了。
PMOS的特性,Vgs小于一定的值就會導通,適合用于源極接VCC時的情況(高端驅動)。但是,雖然PMOS可以很方便地用作高端驅動,但由于導通電阻大,價格貴,替換種類少等原因,在高端驅動中,通常還是使用NMOS。
MOS開關管損失
不管是NMOS還是PMOS,導通后都有導通電阻存在,這樣電流就會在這個電阻上消耗能量,這部分消耗的能量叫做導通損耗。選擇導通電阻小的MOS管會減小導通損耗。現在的小功率MOS管導通電阻一般在幾十毫歐左右,幾毫歐的也有。
MOS在導通和截止的時候,一定不是在瞬間完成的。MOS兩端的電壓有一個下降的過程,流過的電流有一個上升的過程,在這段時間內,MOS管的損失是電壓和電流的乘積,叫做開關損失。通常開關損失比導通損失大得多,而且開關頻率越快,損失也越大。
導通瞬間電壓和電流的乘積很大,造成的損失也就很大。縮短開關時間,可以減小每次導通時的損失;降低開關頻率,可以減小單位時間內的開關次數。這兩種辦法都可以減小開關損失。
MOS管驅動
跟雙極性晶體管相比,一般認為使MOS管導通不需要電流,只要GS電壓高于一定的值,就可以了。這個很容易做到,但是,我們還需要速度。
在MOS管的結構中可以看到,在GS,GD之間存在寄生電容,而MOS管的驅動,實際上就是對電容的充放電。對電容的充電需要一個電流,因為對電容充電瞬間可以把電容看成短路,所以瞬間電流會比較大。選擇/設計MOS管驅動時第一要注意的是可提供瞬間短路電流的大小。
第二注意的是,普遍用于高端驅動的NMOS,導通時需要是柵極電壓大于源極電壓。而高端驅動的MOS管導通時源極電壓與漏極電壓(VCC)相同,所以這時 柵極電壓要比VCC大4V或10V。如果在同一個系統里,要得到比VCC大的電壓,就要專門的升壓電路了。很多馬達驅動器都集成了電荷泵,要注意的是應該 選擇合適的外接電容,以得到足夠的短路電流去驅動MOS管。
上邊說的4V或10V是常用的MOS管的導通電壓,設計時當然需要有一定的余量。而且電壓越高,導通速度越快,導通電阻也越小?,F在也有導通電壓更小的MOS管用在不同的領域里,但在12V汽車電子系統里,一般4V導通就夠用了。
MOS管應用電路
MOS管最顯著的特性是開關特性好,所以被廣泛應用在需要電子開關的電路中,常見的如開關電源和馬達驅動,也有照明調光。
MOS管驅動電路幾個應用
1、低壓應用
當使用5V電源,這時候如果使用傳統的圖騰柱結構,由于三極管的be有0.7V左右的壓降,導致實際最終加在gate上的電壓只有4.3V。這時候,我們選用標稱gate電壓4.5V的MOS管就存在一定的風險。
同樣的問題也發生在使用3V或者其他低壓電源的場合。
2、寬電壓應用
輸入電壓并不是一個固定值,它會隨著時間或者其他因素而變動。這個變動導致PWM電路提供給MOS管的驅動電壓是不穩定的。
為了讓MOS管在高gate電壓下安全,很多MOS管內置了穩壓管強行限制gate電壓的幅值。在這種情況下,當提供的驅動電壓超過穩壓管的電壓,就會引起較大的靜態功耗。
同時,如果簡單的用電阻分壓的原理降低gate電壓,就會出現輸入電壓比較高的時候,MOS管工作良好,而輸入電壓降低的時候gate電壓不足,引起導通不夠徹底,從而增加功耗。
3、雙電壓應用
在一些控制電路中,邏輯部分使用典型的5V或者3.3V數字電壓,而功率部分使用12V甚至更高的電壓。兩個電壓采用共地方式連接。
這就提出一個要求,需要使用一個電路,讓低壓側能夠有效的控制高壓側的MOS管,同時高壓側的MOS管也同樣會面對1和2中提到的問題。
在這三種情況下,圖騰柱結構無法滿足輸出要求,而很多現成的MOS驅動IC,似乎也沒有包含gate電壓限制的結構。
相對通用的電路
電路圖如下:


用于NMOS的驅動電路


用于PMOS的驅動電路
這里只針對NMOS驅動電路做一個簡單分析:
Vl和Vh分別是低端和高端的電源,兩個電壓可以是相同的,但是Vl不應該超過Vh。
Q1和Q2組成了一個反置的圖騰柱,用來實現隔離,同時確保兩只驅動管Q3和Q4不會同時導通。
R2和R3提供了PWM電壓基準,通過改變這個基準,可以讓電路工作在PWM信號波形比較陡直的位置。
Q3和Q4用來提供驅動電流,由于導通的時候,Q3和Q4相對Vh和GND最低都只有一個Vce的壓降,這個壓降通常只有0.3V左右,大大低于0.7V的Vce。
R5和R6是反饋電阻,用于對gate電壓進行采樣,采樣后的電壓通過Q5對Q1和Q2的基極產生一個強烈的負反饋,從而把gate電壓限制在一個有限的數值。這個數值可以通過R5和R6來調節。
最后,R1提供了對Q3和Q4的基極電流限制,R4提供了對MOS管的gate電流限制,也就是Q3和Q4的Ice的限制。必要的時候可以在R4上面并聯加速電容。
這個電路提供了如下的特性:
1、用低端電壓和PWM驅動高端MOS管。
2、用小幅度的PWM信號驅動高gate電壓需求的MOS管。
3、gate電壓的峰值限制
4、輸入和輸出的電流限制
5、通過使用合適的電阻,可以達到很低的功耗。
6、PWM信號反相。NMOS并不需要這個特性,可以通過前置一個反相器來解決。
低電壓高頻率-自舉電路的BiCMOS驅動電路
在設計便攜式設備和無線產品時,提高產品性能、延長電池工作時間是設計人員需要面對的兩個問題。DC-DC轉換器具有效率高、輸出電流大、靜態電流小等優點,非常適用于為便攜式設備供電。目前DC-DC轉換器設計技術發展主要趨勢有:
(1)高頻化技術:隨著開關頻率的提高,開關變換器的體積也隨之減小,功率密度也得到大幅提升,動態響應得到改善。小功率DC-DC轉換器的開關頻率將上升到兆赫級。
(2)低輸出電壓技術:隨著半導體制造技術的不斷發展,微處理器和便攜式電子設備的工作電壓越來越低,這就要求未來的DC-DC變換器能夠提供低輸出電壓以適應微處理器和便攜式電子設備的要求。
這些技術的發展對電源芯片電路的設計提出了更高的要求。首先,隨著開關頻率的不斷提高,對于開關元件的性能提出了很高的要求,同時必須具有相應的開關元件 驅動電路以保證開關元件在高達兆赫級的開關頻率下正常工作。其次,對于電池供電的便攜式電子設備來說,電路的工作電壓低(以鋰電池為例,工作電壓 2.5~3.6V),因此,電源芯片的工作電壓較低。
MOS管具有很低的導通電阻,消耗能量較低,在目前流行的高效DC-DC芯片中多采用MOS管作為功率開關。但是由于MOS管的寄生電容大,一般情況下NMOS開關管的柵極電容高達幾十皮法。這對于設計高工作頻率DC-DC轉換器開關管驅動電路的設計提出了更高的要求。
在低電壓ULSI設計中有多種CMOS、BiCMOS采用自舉升壓結構的邏輯電路和作為大容性負載的驅動電路。這些電路能夠在低于1V電壓供電條件下正常 工作,并且能夠在負載電容1~2pF的條件下工作頻率能夠達到幾十兆甚至上百兆赫茲。本文正是采用了自舉升壓電路,設計了一種具有大負載電容驅動能力的, 適合于低電壓、高開關頻率升壓型DC-DC轉換器的驅動電路。電路基于Samsung AHP615 BiCMOS工藝設計并經過Hspice仿真驗證,在供電電壓1.5V ,負載電容為60pF時,工作頻率能夠達到5MHz以上。
MOS管驅動電路隔離技術
MOS管驅動電路隔離技術一般使用光電耦合器或隔離變壓器(光耦合;磁耦合)。由于 MOSFET 的工作頻率及輸入阻抗高,容易被干擾,故驅動電路應具有良好的電氣隔離性能,以實現主電路與控制電路之間的隔離,使之具有較強的抗干擾能力,避免功率級電路對控制信號的干擾。
光耦隔離驅動可分為電磁隔離與光電隔離。采用脈沖變壓器實現電路的電磁隔離,是一種電路簡單可靠,又具有電氣隔離作用的電路,但其對脈沖的寬度有較大限制,若脈沖過寬,磁飽和效應可能使一次繞組的電流突然增大,甚至使其燒毀,而若脈沖過窄,為驅動柵極關斷所存儲的能量可能不夠。光電隔 離,是利用光耦合器將控制信號回路和驅動回路隔離開。該驅動電路輸出阻抗較小,解決了柵極驅動源低阻抗的問題,但由于光耦合器響應速度較慢,因而其開關延遲時間較長,限制了適應頻率。
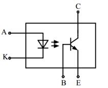
光耦指的是可隔離交流或直流信號KCB EA。
1.由IF控制Ic;電流傳輸比CTR-Current Transfer Ratio


2.輸入輸出特性與普通三極管相似,電流傳輸比Ic/IF比三極管“β ”小;
3.可在線性區, 也可在開關狀態。 驅動電路中, 一般工作在開關狀態。


典型光耦內部電路圖
光耦的特點:
1. 參數設計簡單
2. 輸出端需要隔離驅動電源
3. 驅動功率有限


光耦基本電路
磁耦合-變壓器隔離
磁耦合:用于傳送較低頻信號時—調制/解調磁耦合的特點:
1.既可傳遞信號又可傳遞功率
2.頻率越高,體積越小-適合高頻應用


受高頻調制的單向脈沖變壓器隔離電路
烜芯微專業制造二三極管,MOS管,20年,工廠直銷省20%,1500家電路電器生產企業選用,專業的工程師幫您穩定好每一批產品,如果您有遇到什么需要幫助解決的,可以點擊右邊的工程師,或者點擊銷售經理給您精準的報價以及產品介紹
烜芯微專業制造二三極管,MOS管,20年,工廠直銷省20%,1500家電路電器生產企業選用,專業的工程師幫您穩定好每一批產品,如果您有遇到什么需要幫助解決的,可以點擊右邊的工程師,或者點擊銷售經理給您精準的報價以及產品介紹

